Jiayi Intelligent Equipment produces and sells its own ultra-long-stroke linear modules, featuring high precision, low noise, and large load capacity. With our own factory and a large inventory, we offer affordable prices and factory direct sales. Welcome to inquire about our ultra-long-stroke linear modules from Jiayi Linear Module Manufacturer. Deng Sheng - 18822958970
The RY110A semi-enclosed belt module has the following advantages:
1. The core components are imported from Taiwan, including screw rods and guide rails.
2. The body adopts a new type of aviation aluminum material, which has higher rigidity and lighter weight.
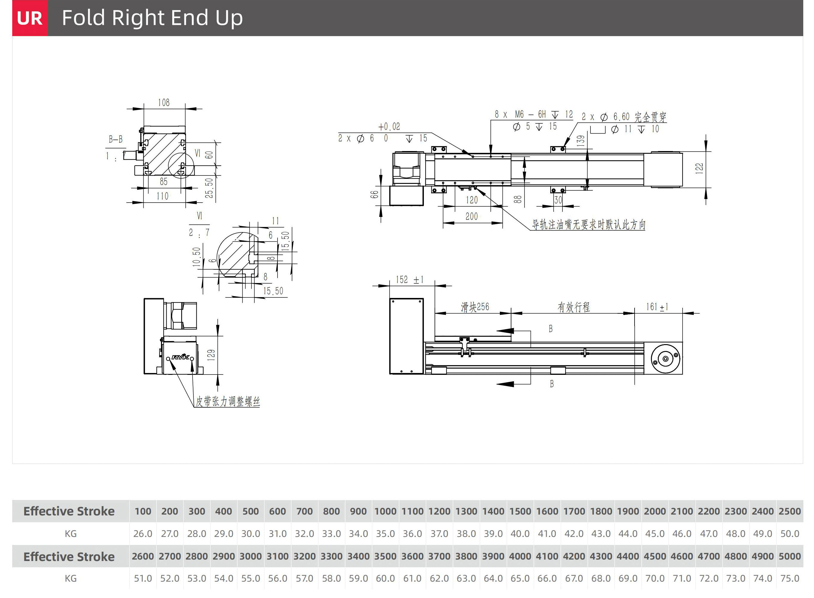
3. High stability, high reliability, with an accuracy of up to 0.02mm.
4. Smooth operation, no wear and tear, minimal maintenance, long service life.
5. Compact size, space saving, easy to build.
6. The requirements for the motor are not high, and it can adapt to mainstream motors on the market.
Engineering one-on-one tailored selection, helping you save time and make products more superior.

















